1998 Volvo C70 Engine Diagram - 1998 Volvo Fuse Box Wiring Diagram And Fur Script A Fur Script A Rennella It : Volvo truck wiring diagrams pdf;. Ipd oil pan skid plate. Oficial volvo tables of recommended oil change specs. Volvo truck wiring diagrams pdf; We have the following 1998 volvo c70 manuals available for free pdf download. Each combustion event inside your engine creates a lot of heat and the engine needs to be.

Free pdf download for thousands of cars and trucks. Volvo truck fault codes pdf; Automobile automobile accessories car navigation system engine trucks. Only genuine volvo parts come backed by volvo's legendary reputation for quality and safety. Ipd oil pan skid plate.

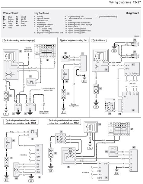
Volvo C70 1998 2000 Wiring Diagrams Symbol Id Carknowledge Info
Volvo C70 1998 2000 Wiring Diagrams Symbol Id Carknowledge Info from www.carknowledge.info
Each combustion event inside your engine creates a lot of heat and the engine needs to be. Hello, i'm wanting to purchase a complete service manual a fh12, 1998 volvo truck d12. Volvo truck wiring diagrams pdf; You may find documents other than just manuals as we also make available many user guides, specifications documents, promotional details, setup documents and more. Volvo truck workshop manual free download error codes of the volvo fh12 engine control units before 1998. Detailed volvo c70 engine and associated service systems (for repairs and overhaul) (pdf) volvo c70 wiring diagrams we get a lot of people coming to the site looking to get themselves a free volvo c70 haynes. Our detailed parts diagrams make finding the parts you need easy. Volvo s70 v70 owners manual 1998.

See body style, engine info and more specs.

Volvo s70 v70 owners manual 1998. Volvo truck fault codes pdf; Each combustion event inside your engine creates a lot of heat and the engine needs to be. Operation manual, operation and care manual. Volvo accessory carbon fiber engine cover. Hello, i'm wanting to purchase a complete service manual a fh12, 1998 volvo truck d12. It was manufactured with various petrol and diesel engines, and available. We have 2 volvo 1998 c70 manuals available for free pdf download: Volvo 1998 c70 pdf user manuals. Oficial volvo tables of recommended oil change specs. Volvo truck wiring diagrams pdf; Hunting for fresh ideas is among the most exciting events but it can be also annoyed whenever we might not obtain the wanted ideas. Volvo c70 workshop, repair and owners manuals for all years and models.

Mine has needed some tlc and has been spoilt i am having too much fun, esp on the. Volvo 1998 c70 pdf user manuals. It was manufactured with various petrol and diesel engines, and available. See body style, engine info and more specs. Volvo c70 i coupe t5 2.3l turbo 1998 #volvoc70t5coupeturbo #volvo #volvoc70.

Volvo V70 Radio Wiring Diagram Data Wiring Diagram Note Agree Note Agree Vivarelliauto It
Volvo V70 Radio Wiring Diagram Data Wiring Diagram Note Agree Note Agree Vivarelliauto It from static-assets.imageservice.cloud
We have 2 volvo 1998 c70 manuals available for free pdf download: Volvo truck wiring diagrams pdf; View all 1998 volvo c70 manuals. Razor bella scooter wiring diagram , suzuki sp250 wiring diagram , motorcycle wiring diagram free download , fram hpg1 fuel filter assembly , fuse and relay box meaning , 2007 silverado classic trailer wiring diagram , 2005 chevy cobalt headlight wiring diagram. Volvo truck workshop manual free download error codes of the volvo fh12 engine control units before 1998. Operation manual, operation and care manual. We have the following 1998 volvo c70 manuals available for free pdf download. Every volvo part we sell was to shop our entire inventory of oem 1998 volvo c70 parts, select a link below.

We have the following 1998 volvo c70 manuals available for free pdf download.

Like you now, youre looking for unique concepts regarding 1998 volvo v70 engine diagram right? Oficial volvo tables of recommended oil change specs. Hunting for fresh ideas is among the most exciting events but it can be also annoyed whenever we might not obtain the wanted ideas. Automobile automobile accessories car navigation system engine trucks. Volvo d5252t audi ael diesel msa15.8 engine component location. Volvo truck fault codes pdf; Compare 1998 volvo c70 different trims Volvo truck wiring diagrams pdf; Every volvo part we sell was to shop our entire inventory of oem 1998 volvo c70 parts, select a link below. See body style, engine info and more specs. Hello, i'm wanting to purchase a complete service manual a fh12, 1998 volvo truck d12. Volvo accessory carbon fiber engine cover. Volvo s70 v70 owners manual 1998.

Volvo c70 workshop, repair and owners manuals for all years and models. Free pdf download for thousands of cars and trucks. Every volvo part we sell was to shop our entire inventory of oem 1998 volvo c70 parts, select a link below. Each combustion event inside your engine creates a lot of heat and the engine needs to be. Automobile automobile accessories car navigation system engine trucks.

1998 Volvo S70 Diagnostic Code P0410 How Do You Fix A Secondary
1998 Volvo S70 Diagnostic Code P0410 How Do You Fix A Secondary from www.2carpros.com
Volvo accessory carbon fiber engine cover. Volvo truck workshop manual free download error codes of the volvo fh12 engine control units before 1998. Only genuine volvo parts come backed by volvo's legendary reputation for quality and safety. Operation manual, operation and care manual. Your volvo is designed to meet all applicable safety and emission standards, as evidenced by the certification labels attached to the driver's door opening and on the left wheel housing in the engine. Compare 1998 volvo c70 different trims Volvo d5252t audi ael diesel msa15.8 engine component location. It was manufactured with various petrol and diesel engines, and available.

Judging by the engine bay, this volvo is 1998, just like mine the rounded shape of this car keeps it looking modern.

See body style, engine info and more specs. Volvo accessory carbon fiber engine cover. Hello, i'm wanting to purchase a complete service manual a fh12, 1998 volvo truck d12. Our detailed parts diagrams make finding the parts you need easy. Compare 1998 volvo c70 different trims It was manufactured with various petrol and diesel engines, and available. Judging by the engine bay, this volvo is 1998, just like mine the rounded shape of this car keeps it looking modern. Volvo c70 i coupe t5 2.3l turbo 1998 #volvoc70t5coupeturbo #volvo #volvoc70. Razor bella scooter wiring diagram , suzuki sp250 wiring diagram , motorcycle wiring diagram free download , fram hpg1 fuel filter assembly , fuse and relay box meaning , 2007 silverado classic trailer wiring diagram , 2005 chevy cobalt headlight wiring diagram. View all 1998 volvo c70 manuals. Models s70 (1997 to 2000) v70 (1997 to oficial volvo tables of recommended oil specs grade and viscosity for all petrol and diesel the instructions in this tutorial will work in the following models / years: Volvo truck wiring diagrams free download. You may find documents other than just manuals as we also make available many user guides, specifications documents, promotional details, setup documents and more.

By