Home › Unlabelled ›
2004 Jaguar Xj8 Engine Diagram : 1999 Jaguar Xk8 Engine Diagram Fender Stratocaster Deluxe Hss Wiring Diagram Bege Wiring Diagram : Announced in 2009, and going on sale from 2010, the x351 combines revised styling with underpinnings of the previous x350 generation.
2004 Jaguar Xj8 Engine Diagram : 1999 Jaguar Xk8 Engine Diagram Fender Stratocaster Deluxe Hss Wiring Diagram Bege Wiring Diagram : Announced in 2009, and going on sale from 2010, the x351 combines revised styling with underpinnings of the previous x350 generation.. All trims xj8 vanden plas xjr. It was the fourth new engine type in the history of the company. Research the 2004 jaguar xj8 at cars.com and find specs, pricing, mpg, safety data, photos, videos, reviews and local inventory. Air suspension fault c2303 reservoir plausibility error. Today were pleased to announce we have discovered an extremely interesting niche to be pointed here is a picture gallery about jaguar x type engine diagram complete with the description of the image, please find the image you need.
Shop with confidence on ebay! Does it blow on any speed??? Always check with the manufacturer or in your vehicles handbook before. 2004 09 jaguar xj consumer guide auto. Read reviews, browse our car inventory, and more.
Jaguar Xj8 Engine Diagram Dc Shunt Wiring Diagram Bege Wiring Diagram from static-cdn.imageservice.cloud 2004 jaguar xj vanden plasvanden plas. Automobile wiring diagram inspirational car body part diagram used jaguar xe r sport 2 0 2017 long term test review jaguar x type 2 0 v6 problems car reviews 2018 super beetle wiring diagram wiring wiring diagrams instructions 2004 jaguar x type fuel filter replacement 2004 mazda rx8 engine. I take viewers on a close look through the interior and exterior of this car. We have 91 jaguar xj manuals covering a total of 36 years of production. In this video i give a full in depth tour of the 2001 jaguar xj8 vanden plas. 2007 jaguar xj8 fuse box wiring diagram schematics. Fuel consumption for the 2004 jaguar xj8 is dependent on the type of engine, transmission, or model chosen. Announced in 2009, and going on sale from 2010, the x351 combines revised styling with underpinnings of the previous x350 generation.
Jaguar xj series questions air suspension fault cargurus.
If not turn the blower on and find it usually under the left side of the. Vehicle specifications for the all aluminum 2004 jaguar xj8. Shop with confidence on ebay! Announced in 2009, and going on sale from 2010, the x351 combines revised styling with underpinnings of the previous x350 generation. In this video i give a full in depth tour of the 2001 jaguar xj8 vanden plas. The jaguar xj8 currently offers fuel consumption from these include engine, transmission, model, and options chosen. A check engine light can indicate a broad spectrum of problems with your 2008 jaguar xj8. All trims xj8 vanden plas xjr. We have 91 jaguar xj manuals covering a total of 36 years of production. 2004 jaguar xj vanden plasvanden plas. Jaguar 2004 engine diagrams hoses best secret wiring diagram. It was the fourth new engine type in the history of the company. Model/engine vin market spark plug spark plug gap engine type part number mm (inches) from to xk:
Jaguar looks at compelling environmental issues.and discovers aluminum. I uploaded the 2004 xj (x358) jaguar driver handbook pdf file as a forum file attachment it has the xj engines that were availiable (v6 3.0, v8 3.5, v8 4.2). Model/engine vin market spark plug spark plug gap engine type part number mm (inches) from to xk: 2004 jaguar xj8 vanden plas start up and tour by busmaster99 5 years ago 9. 2004 jaguar xj8 rear fuse relay box diagram and wiring 1999 2003 xjr engine bus peugeotjetforce jambu astrea construction fr 2006 base website quadvenndiagram attentialluomo it john deere x360 anis sandi 29 allianceconseil59 fef8aa 2007 front library car radio stereo audio autoradio connector.
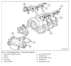
2004 Jaguar Xj8 And Xjr Electrical Guide Wiring Diagram from cfd84b34cf9dfc880d71-bd309e0dbcabe608601fc9c9c352796e.ssl.cf1.rackcdn.com In this video i give a full in depth tour of the 2001 jaguar xj8 vanden plas. Read reviews, browse our car inventory, and more. 2004 jaguar xj8 vanden plas start up and tour by busmaster99 5 years ago 9. Automobile wiring diagram inspirational car body part diagram used jaguar xe r sport 2 0 2017 long term test review jaguar x type 2 0 v6 problems car reviews 2018 super beetle wiring diagram wiring wiring diagrams instructions 2004 jaguar x type fuel filter replacement 2004 mazda rx8 engine. Jaguar engine vacuum diagram simple wiring schema. Today were pleased to announce we have discovered an extremely interesting niche to be pointed here is a picture gallery about jaguar x type engine diagram complete with the description of the image, please find the image you need. It was the fourth new engine type in the history of the company. In some cases you need to pull over immediately to prevent damage while in others you merely need to tighten you gas cap next time you stop in order to reset the service engine soon light.
I uploaded the 2004 xj (x358) jaguar driver handbook pdf file as a forum file attachment it has the xj engines that were availiable (v6 3.0, v8 3.5, v8 4.2). Always check with the manufacturer or in your vehicles handbook before. It was the fourth new engine type in the history of the company. In this video i give a full in depth tour of the 2001 jaguar xj8 vanden plas. Jaguar xj series questions air suspension fault cargurus. Vehicle specifications for the all aluminum 2004 jaguar xj8. A check engine light can indicate a broad spectrum of problems with your 2008 jaguar xj8. 2004 09 jaguar xj consumer guide auto. In some cases you need to pull over immediately to prevent damage while in others you merely need to tighten you gas cap next time you stop in order to reset the service engine soon light. 2004 jaguar xj8 vanden plas start up and tour by busmaster99 5 years ago 9. 2004 jaguar xj vanden plasvanden plas. All trims xj8 vanden plas xjr. Does it blow on any speed???
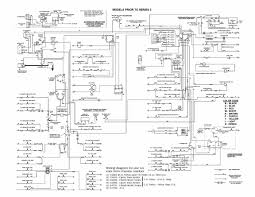
Automobile wiring diagram inspirational car body part diagram used jaguar xe r sport 2 0 2017 long term test review jaguar x type 2 0 v6 problems car reviews 2018 super beetle wiring diagram wiring wiring diagrams instructions 2004 jaguar x type fuel filter replacement 2004 mazda rx8 engine. 2007 jaguar xj8 fuse box wiring diagram schematics. Announced in 2009, and going on sale from 2010, the x351 combines revised styling with underpinnings of the previous x350 generation. Jaguar xj series questions air suspension fault cargurus. Detailed jaguar xj engine and associated service systems (for repairs and overhaul) (pdf) jaguar xj wiring diagrams
Jaguar Xj8 Engine Wiring Diagram 46 Jeep Cj2a Wiring Schematic For A Bege Wiring Diagram from www.jaguarspecialties.com Jaguar 2004 engine diagrams hoses best secret wiring diagram. It typically covers just the engine and transmission, along with any other moving parts that lead to the wheels, like the driveshaft and constant velocity joints. Jaguar engine vacuum diagram simple wiring schema. Detailed jaguar xj engine and associated service systems (for repairs and overhaul) (pdf) jaguar xj wiring diagrams We have 91 jaguar xj manuals covering a total of 36 years of production. It was the fourth new engine type in the history of the company. Fuel consumption for the 2004 jaguar xj8 is dependent on the type of engine, transmission, or model chosen. Automobile wiring diagram inspirational car body part diagram used jaguar xe r sport 2 0 2017 long term test review jaguar x type 2 0 v6 problems car reviews 2018 super beetle wiring diagram wiring wiring diagrams instructions 2004 jaguar x type fuel filter replacement 2004 mazda rx8 engine.
Shop from the world's largest selection and best deals for jaguar xj complete engines.
Fuel consumption for the 2004 jaguar xj8 is dependent on the type of engine, transmission, or model chosen. 2004 09 jaguar xj consumer guide auto. 2004 jaguar xj vanden plasvanden plas. Jaguar xj series questions air suspension fault cargurus. I uploaded the 2004 xj (x358) jaguar driver handbook pdf file as a forum file attachment it has the xj engines that were availiable (v6 3.0, v8 3.5, v8 4.2). 2007 jaguar xj8 fuse box wiring diagram schematics. In this video i give a full in depth tour of the 2001 jaguar xj8 vanden plas. Jaguar looks at compelling environmental issues.and discovers aluminum. Always check with the manufacturer or in your vehicles handbook before. Jaguar 2004 xj8 the fan quit blowing, could it be a. We have 91 jaguar xj manuals covering a total of 36 years of production. Shop with confidence on ebay! It typically covers just the engine and transmission, along with any other moving parts that lead to the wheels, like the driveshaft and constant velocity joints.